kotevní patka s roxorem, tvar u, výroba čr
Kotevní patka se třmenem ve tvaru U je vhodná pro kotvení dřevěných trámků různých průřezů. Tento kotevní prvek je určen pro zabetonování do čerstvého betonu, ale v případě potřeby lze instalovat i do již hotového betonu. Tato patka není výškově nastavitelná, takže po zabetenování již není možné výšku dřevěných prvků upravit. V naší nabídce naleznete ale i výškově nastavitelné kotevní patky. Kotevní patka ve tvaru U je vyrobena z oceli S235JR a proti korozi je povrchově upravena galvanickým zinkováním.
Použití kotevní patky U
Kotevní patka s třmenem ve tvaru U se nejčastěji používá ke kotvení tlačných sloupů a pilířů. V praxi se jedná o dřevěné trámy/hranoly pro konstrukci různých přístřešků, pergol, zahradních domků, parkovacích stání, houpaček, ale i větších dřevostaveb.
Montáž kotevní patky do betonu
Kotevní patku s roxorem je vhodné instalovat již při betonování podkladu. Doporučujeme použít beton třídy alespoň C16/20 (dříve B20). Roxor zapíchnete do čerstvého betonu a lehkým otáčením ho zasunete do požadované hloubky. Následně je třeba beton kolem řádně zhutnit, aby se kotevní patka po vytvdnutí betonu neprotáčela.
Druhou možností je instalace do vytvrdnutého betonu. V tomto případě musíte vyvrtat otvor odpovídajícího průměru vrtákem do betonu. Následně ke kotvení použijete chemickou kotvu (doporučujeme vinylesterovou). Před aplikací chemické kotvy ještě otvor vyčistěte ocelovým kartáčkem.
Kotvení dřevěného sloupku
Pro bezpečné ukotvení dřevěného sloupku do kotevní patky existuje několik možností:
Obyčejné vruty do dřeva nejsou vhodné z důvodu nedostatečné pevnost ve "střihu", a proto doporučujeme použití těch konstrukčních. Vždy si před nákupem zkontrolujte průměr otvorů v patce a průměr nakupovaného spojovacího materiálu.
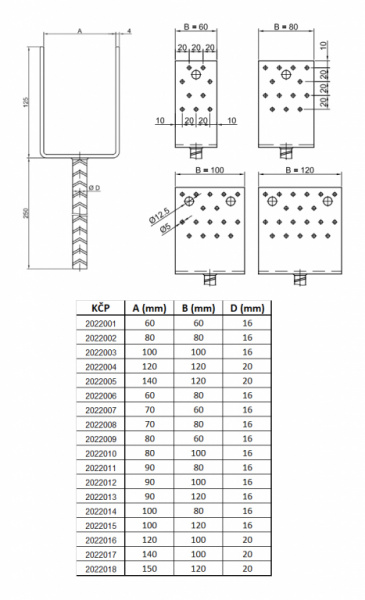
technické info - Kotevní patky do betonu "U"
- materiál: ocel S235JR
- povrchová úprava: galvanický zinek
- tloušťka U třmenu: 4 mm
- výška U třmenu: 125 mm
- průměru roxoru: 16 / 20 mm
- délka roxoru: 250 mm
- průměr otvorů ke kotvení dřevěného sloupku: 5 a 12,5 mm
Podrobné rozměry:
